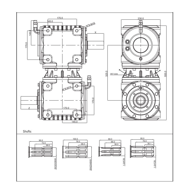
Tämä KLF-GC325-yleinen vaihdelaatikko maatalouden koneisiin tarjoaa 1: 1 -siirtosuhteen lisäyksen, mikä tarkoittaa, että tulonopeus on yhdenmukainen lähtönopeuden kanssa. 360 asteen pyörivä vetolaite. Tämä vaihdesuhteen nousu on ihanteellinen maatalouden koneisiin, jotka vaativat tarkkaa nopeudenhallintaa, kuten ruohonleikkurit. Se varmistaa, että ruohonleikkuri ylläpitää vakaa kierto -nopeus toiminnan aikana, mikä saavuttaa tehokkaan ruohonleikkurin. Syöttönopeus 540R/min, lähtönopeus 540R/min, nimellisteho 160 hevosvoiman, lähtömomentin 1400n.M.it soveltuvat vetoon ja ohjaukseen erilaisilla maatalouslaitteilla ja ohjauskulma on alle 60 astetta. Se on joustava ja kevyt kääntyessä, ratkaisee sarjan ongelmia, kuten vaikeuksia kääntää pieniä kuvaajia.















